Bạn cần hỗ trợ?

092.707.8688

Menu Categories

Raspberry Pi Pico W

Brand:
24 khách hàng đang xem sản phẩm này

240.000 

Phí vận chuyển được tính khi bạn Thanh toán.

SKU: RPi-Pico-W Danh mục:

Bạn cần tư vấn thêm?

Vui lòng Liên Hệ chúng tôi

Raspberry Pi Pico W là gì?

Raspberry Pi Pico W là phiên bản nâng cấp của Raspberry Pi Pico với việc bổ sung Wifi & Bluetooth. Đây sẽ là sự thay thế hoàn hảo nếu bạn đang sử dụng Raspberry Pi Pico với các module WiFi mở rộng để điều khiển thiết bị IoT. Với Raspberry Pi Pico W, kết nối không dây, bao gồm WiFi và Bluetooth đã được tích hợp trên một bo mạch nhỏ gọn, và bạn không cần đến các module mở rộng rườm rà nữa.

 

Bo mạch Vi điều khiển Mạnh nhất với CPU ARM Cortex M0+ lõi-kép, cùng với kết nối Không dây

Mặc dù Raspberry Pico được dựa trên silicon đầu tiên được thiết kế bởi các kỹ sư từ Raspberry Pi Foundation, họ không bao giờ làm chúng ta thất vọng. Việc ra mắt Raspberry Pi 4 Model B, CM4 và Raspberry Pi 400 đã chứng minh điều đó! Hãy xem các tính năng và thông số kỹ thuật của bo mạch vi điều khiển nhỏ nhưng mạnh mẽ này. Nó không đi kèm với một mà là hai lõi (lõi kép) của bộ xử lý 32-bit ARM Cortex M0 +. Xung nhịp có thể cấu hình lên tốc độ tối đa 133MHz! MCU nhỏ bé này đi kèm với một SRAM khổng lồ 264 Kbyte và Quad-SPI với dung lượng 2 MByte và eXecute in Place (XIP). Dung lượng RAM và Flash lớn cho phép bạn viết các ngôn ngữ lập trình cấp cao như MicroPython cho Raspberry Pi Pico W

 

Những điểm nổi bật của Raspberry Pi Pico W

 

Vi điều khiển đầu tiên từ Raspberry Pi Foundation

Chip Wireless Chip và Antenna tích hợp trên bo mạch

Raspberry Pi Pico W được trang bị chip Wireless Infineon CYC43439. Nó được bảo vệ trong shield bằng kim loại.Con chip này cung cấp kết nối Wireless LAN, WiFi, IEEE802.11 b/g/n (2.4GHz), và Bluetooth 5.2 (kết nối Bluetooth không có sẵn trong đợt phát hành). Ngoài ra, ăng-ten cũng được tích hợp sẵn trên bo mạch và bạn có thể sử dụng ngay khi mở hộp.

Nhỏ gọn và Dễ dàng tích hợp với Bo mạch khác

 

Raspberry Pi Pico W không chỉ có giá cả phải chăng mà còn sẵn sàng để gắn vào bất kỳ sản phẩm nào. Với thiết kế PCB độc đáo, không những thích hợp cho việc tạo mẫu và cả SMT (Công nghệ gắn trên bề mặt); nó còn là một sự lựa chọn hoàn hảo cho tất cả mọi người. Raspberry Pi Pico được mở rộng ra theo kiểu DIP 40-pin 21×51 (Dual Inline Package), PCB dày 1mm với các chân cắm xuyên lỗ 0,1 “(100mil). Chiều rộng giữa các lỗ rất thân thiện với breadboard, vì vậy sinh viên, nhà sản xuất và kỹ sư có thể sử dụng Pico trên breadboard hoặc bất kỳ bảng PCB tiêu chuẩn nào để phát triển hoặc tạo mẫu. Tất nhiên, bạn vẫn cần hàn các chân header đề một cách thủ công 🙂 Các lỗ gắn chân header đến cạnh PCB với bảng mạch đúc. Điều này cho phép bạn hàn nó với một bảng mạch PCB khác mà không cần thêm chân cắm, giúp tạo nên một sản phẩm nhỏ và gọn hơn. Thật tuyệt vời phải không nào!

Cấp nguồn và Truyền dữ liệu với USB Micro B

Raspberry Pi Pico W được tích hợp kết nối USB Micro B nổi tiếng và được sử dụng phổ biến cho cả Nguồn và Dữ liệu. Chỉ cần lấy một cáp USB Micro B thường hay sử dụng cho điện thoại Andriod hoặc pin dự phòng để cấp nguồn và tải chương trình vào đó.

 

MCU với nhiều kết nối ngoại vi (99% giống với Raspberry Pi Pico)

 

Với 26 GPIO (3.3V) được chia ra cho các ứng dụng, nó có nhiều chân GPIO hơn Arduino UNO, Arduino NANO hoặc thậm chí Arduino MKR Zero. Trong số 26 GPIO này, 3 chân có thể được cấu hình thành ADC 12 bit với 500ksps (kilo sample per second), 2 x UART, 2 x SPI, 2 x I2C và tối đa 16 x chân PWM. Bên trong, nó cũng đi kèm với 1 x Bộ hẹn giờ với 4 báo thức và 1 x Bộ đếm thời gian thực. Đừng quên các kết nối thiết bị ngoại vi có thể lập trình kép (Programmable IO ) có tốc độ rất cao, linh hoạt và có thể được thể lập trình theo ứng dụng. Nó có thể giả lập các giao diện như thẻ SD và VGA.

Lưu ý: Các chân GPIO của Raspberry Pi Pico GPIO hoạt động ở mức điện áp 3.3VDC. Điện áp tối đa mà các chân I/O có thể chấp nhận là 3.3V. Sử dụng hiệu điện thế cao hơn 3.3V có thể làm hư bo mạch.

Dung lượng RAM và Flash lớn

Với 2 MByte QSPI Flash ngoài và 264 KByte SRAM trên Raspberry Pi Pico W, nó sẽ không bao giờ nhắc bạn về việc không đủ bộ nhớ 🙂 Bên cạnh đó, với dung lượng RAM và Flash lớn, Raspberry Pi Pico có thể hỗ trợ với các ngôn ngữ lập trình cao, ví dụ như MicroPython hoặc thậm chí là Javascript.

Phương pháp lập trình Kéo và Thả

Với bộ tiếp nhận USB Micro B sẵn sàng làm kết nối vật lý với máy tính và thiết bị USB 1.1 trên RP2040 (MCU), Raspberry Pi Pico đem đến cho chúng ta một cách tải chương trình cực kỳ đơn giản và dễ hiểu. Nó giống như việc sao chép các tập tin từ ổ đĩa này sang ổ đĩa khác. Pico xuất hiện dưới dạng USB mass storage khi nó được kết nối với máy tính qua cổng USB! Nó trở thành một ổ USB! Chỉ cần viết mã và kéo tệp vào ổ USB. Sau khi tập tin được sao chép thành công, Pico sẽ khởi động lại và chạy chương trình 🙂 Dễ dàng phải không?

Hỗ trợ MicroPython, CircuitPython, C, và C++

 

Python là một trong những ngôn ngữ lập trình nổi tiếng và mạnh mẽ nhất hiện nay. Nó đang được sử dụng trong nhiều ứng dụng cấp cao như AI (Trí tuệ nhân tạo), Deep Learning, phát triển Web và Internet, v.v. Python được sử dụng thành công trong hàng nghìn ứng dụng kinh doanh thực tế trên khắp thế giới, bao gồm nhiều hệ thống lớn và quan trọng. MicroPython là một phiên bản gọn gàng và hiệu quả của ngôn ngữ lập trình Python 3 bao gồm một tập hợp con nhỏ bộ thư viện chuẩn Python và được tối ưu hóa để chạy trên vi điều khiển và trong các môi trường hạn chế. Bạn nhất định sẽ thích nó.

Ngoài MicroPython, Raspberry Pi Pico W cũng hỗ trợ ngôn ngữ lập trình CircuitPython, C và C ++. Hãy xem SDK C / C ++ để biết thêm thông tin. Tất cả các ngôn ngữ lập trình này đều được tải vào Raspberry Pi Pico thông qua USB Mass Storage, cho phép thực hiện phương pháp kéo và thả đơn giản (như sao chép tệp vào ổ đĩa khác).

Cấp nguồn Đa dạng

Bộ tiếp nhận USB Micro B là đầu vào nguồn điện chính để Raspberry Pi Pico W “chạy”, chỉ cần kết nối cáp USB với bất kỳ cổng USB nào và nó sẽ cung cấp năng lượng cần thiết để MCU thực hiện chương trình. Trong trường hợp bạn không muốn sử dụng cổng USB, chẳng hạn như một sản phẩm chạy bằng pin hoặc một sản phẩm tùy chỉnh; đừng lo, Raspberry Pi Pico đi kèm với Bộ nguồn chuyển đổi chế độ tăng cường linh hoạt trên bo mạch (SMPS) có khả năng chấp nhận đầu vào từ 2 đến 5VDC và chuyển đổi thành nguồn 3.3V ổn định để MCU RP2040 hoạt động. Chỉ một từ thôi “tuyệt vời”. Chân sử dụng là VSYS (Chân 39). Với dải điện áp rộng, Raspberry Pi Pico có thể được cấp nguồn từ USB, 2 x pin AA, 2 x NiMH AA, 1 x 18650 pin Li-ion hoặc 1 x Cell LiPo!

Tính năng Raspberry Pi Pico W

  • Là Raspberry Pi Pico, nhưng với kết nối không dây (Wireless)
  • Bo mạch Phát triển Vi Điều Khiển đầu tiên từ Raspberry Pi Foundation.
  • Silicon (IC) đầu tiên, RP2040 MCU được thiết kế bởi những kỹ thuật sư của Raspberry Pi Foundation.
  • Trang bị chip Wireless CYW43439 từ Infineon, hỗ trợ Wireless LAN (WiFi) IEEE 802.11 b/g/n (2.4GHz), và Bluetooth 5.2 (tính năng chưa được kích hoạt trong đợt phát hành)
  • Ăng-ten tích hợp trên PCB
  • Lõi-Kép, vi xử lý 32-bit ARM Cortex M0+
  • Xung nhịp có thể cấu hình tối đa 133MHz.
  • Cổng kết nối USB Micro B để cấp Nguồn và truyền Dữ liệu
  • Hỗ trợ USB 1.1 Host and Device
  • Kết nối với cổng USB và thiết bị sẽ hiển thị dưới dạng USB Mass Storage, không cần cài thêm drive
  • Hỗ trợ ngôn ngữ lập trình MicroPython, C and C++
  • Phương pháp lập trình Kéo và Thả, giống như việc di chuyển file trên Windows Explorer
  • Có 40-chân 21×51 ‘DIP’, PCB dày 1mm với các lỗ cắm chân header 0.1″, thân thiện với breadboard
  • Thiết thiết kế PCD có góc castellations, sẵn sàng để gắn lên các PCB khác mà không cần thêm PCB. Thân thiện với SMD
  • Không đi kèm với chân header đã hàn sẵn
  • Nhiều kết nối ngoại vi:
    • Có 26 chân mở rộng đa chức năng 3.3V (GPIO)
    • 23 chân GPIO kỹ thuật số
    • 3 x 12-bit ADC  500Ksps, chuyển đổi Analog sang Kỹ thuật số
    • 2 x UART (Universal Asynchronous Receiver/Transmitter)
    • 2 x SPI (Serial Peripheral Interface)
    • 2 x I2C (Inter IC)
    • 16 x PWM (Pulse Width Modulation)
    • 1 x Đồng hồ (timer) với 4 chuông
    • 1 x Bộ đếm thời gian thực
    • 2 x I/O có thể lập trình (PIO) có thể giả lập các cổng kết nối tốc-độ-cao ví dụ như thẻ SD hoặc VGA
    • Tích hợp 12-bit ADC cảm biến nhiệt độ
  • Cổng ARM Serial Wire Debug (SWD) 3 chân
  • Đèn LED Có Thể Lập Trình, GP25
  • Cơ cấu cấp nguồn rất đơn giản và đa dạng
    • Hỗ trợ nguồn USB power, nguồn điện ngoài (2 – 5VDC), hoặc thậm chí cấp nguồn bằng pin.
  • SDK dễ hiểu, có sẵn các ví dụ phần mềm và tài liệu
  • Chính thức từ Raspberry Pi Foundation
  • Tương thích với bất kỳ máy tính nào có cổng USB – Windows, macOS, Linux
  • Làm việc liền lạc với Raspberry Pi 4 Model B, hoặc Raspberry Pi 400 và Raspberry Pi OS
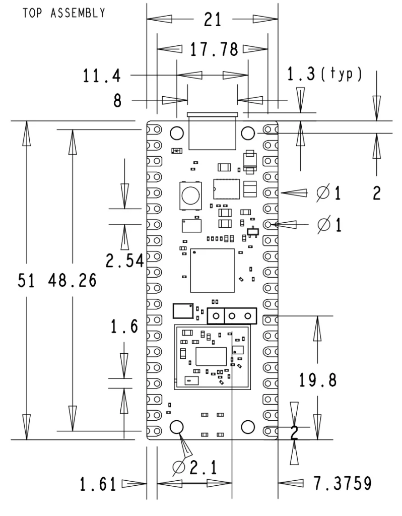
  • Kích thước: 51mm x 21mm x 1mm

Kích thước Raspberry Pi Pico W

 

Bộ sản phẩm bao gồm

  • Mạch Raspberry Pi Pico W
  • Bộ header 40 Pin Thẳng, sau đó bẻ làm đôi và hàn lên Raspberry Pi Pico W

Lưu ý: Chúng tôi có dịch vụ hàn header miễn phí khi Quý khách yêu cầu, mặc định header không được hàn

Tài nguyên:

Raspberry Pi Pico W

240.000 

Out of stock