Official AI HAT+ cho Raspberry Pi 5
Để tiếp tục hợp tác thành công với Hailo, Raspberry Pi giới thiệu Raspberry Pi AI HAT+ mới! Raspberry Pi AI HAT+ là một bo mạch bổ sung có bộ tăng tốc Hailo AI tích hợp cho Raspberry Pi 5. Nó cung cấp giải pháp dễ tiếp cận, tiết kiệm chi phí và tiết kiệm năng lượng để tích hợp AI hiệu suất cao vào các dự án của bạn. Các ứng dụng bao gồm kiểm soát quy trình, bảo mật, tự động hóa gia đình và robot. Sản phẩm chính thức này cho phép bạn khai thác tiềm năng đáng kinh ngạc của AI, đặc biệt là khi kết hợp với Raspberry Pi 5.
Hiệu suất vô song với bộ tăng tốc HAILO AI

AI HAT+ có sẵn ở các biến thể 13 và 26 tera hoạt động mỗi giây (TOPS), được xây dựng dựa trên bộ tăng tốc Hailo-8L và Hailo-8. Biến thể 13 TOPS có khả năng chạy các mạng thần kinh cho các ứng dụng bao gồm phát hiện đối tượng, phân đoạn ngữ nghĩa và phiên bản, ước tính tư thế, v.v. Biến thể 26 TOPS có thể xử lý các mạng lớn hơn, có thể chạy chúng nhanh hơn và có thể chạy nhiều mạng cùng lúc hiệu quả hơn.
Hailo AI được tuyên bố là bộ xử lý AI biên hiệu quả nhất trên thị trường, đạt được hiệu suất tốt hơn nhiều về cả diện tích và mức tiêu thụ điện năng so với các đối thủ cạnh tranh. Hiệu quả này rất quan trọng để chạy các mô hình deep learning trên các thiết bị biên, sử dụng pin, hạn chế về tài nguyên như Raspberry Pi 5. Ngoài ra, bộ tăng tốc Hailo sử dụng kiến trúc chuyên dụng được tối ưu hóa cho mạng thần kinh là Bộ xử lý thần kinh (NPU). Nó hoạt động trong phạm vi nhiệt độ rộng và cung cấp khả năng mở rộng để xử lý đồng thời nhiều luồng dữ liệu và mô hình, khiến nó trở thành giải pháp linh hoạt cho nhiều ứng dụng AI khác nhau.
Dưới đây là bảng so sánh bộ gia tốc AI Hailo 8L – 13 TOPS với các bộ gia tốc AI phổ biến khác:
Tích hợp liền mạch và phát triển dễ dàng
AI HAT+ giao tiếp bằng giao diện PCIe Gen 3 của Raspberry Pi 5. Khi máy chủ Raspberry Pi 5 đang chạy image Raspberry Pi OS cập nhật, nó sẽ tự động phát hiện bộ tăng tốc Hailo trên bo mạch và cung cấp NPU cho các tác vụ điện toán AI. Nó cũng tích hợp liền mạch với Raspberry Pi OS và nhóm phần mềm máy ảnh hiện có (libCamera, rpicam-apps và piCamera2). Điều này có nghĩa là bạn có thể tận dụng các thư viện và công cụ hiện có trong môi trường phát triển quen thuộc của mình, tiết kiệm thời gian quý báu và hợp lý hóa quy trình tạo. Và tất nhiên, việc cài đặt trình điều khiển và gói phần mềm (HailoRT, Hailo Tappas, v.v.) cho bộ tăng tốc Hailo từ Hệ điều hành Raspberry Pi hiện tại cũng khá đơn giản bằng trình quản lý gói apt.
Demo sử dụng Pi 5 với AI HAT+
Bộ tăng tốc AI HAILO 8L cung cấp:
- Hiệu suất: Khả năng xử lý lên tới 26 TOPS (Tera Operations Per Second), giúp xử lý hiệu quả các tác vụ AI trong thời gian thực.
- Hiệu quả: Hailo-8 tuyên bố sẽ vượt trội hơn tất cả các bộ xử lý AI biên khác về diện tích và hiệu quả sử dụng năng lượng ở mức độ lớn.
- Kiến trúc: Sử dụng kiến trúc luồng dữ liệu hướng cấu trúc để tối ưu hóa neural networks.
- Tiêu thụ điện năng: Tiêu thụ điện năng thấp cho phép chạy deep neural networks trên các thiết bị biên.
- Phạm vi nhiệt độ: Hỗ trợ phạm vi nhiệt độ rộng từ 0°C đến 50°C cho nhiều môi trường khác nhau.
- Khả năng mở rộng: Cho phép xử lý đồng thời nhiều luồng dữ liệu và mô hình, giúp nó phù hợp với các ứng dụng AI phức tạp.
Hoàn hảo cho Computer Vision và Edge AI Robotic
Bộ Kit AI hoàn toàn tương thích với Raspberry Pi OS (Bookworm) mới nhất cũng như tất cả các mô-đun máy ảnh và thư viện phần mềm. Chúng tôi rất hào hứng về Bộ công cụ AI đầu tiên của Raspberry Pi. Những ứng dụng phổ biến của AI HAT+ như:
- Phát triển các ứng dụng AI tiên tiến:
- Nhận dạng và phân loại hình ảnh
- Phát hiện và theo dõi đối tượng
- Nhận dạng khuôn mặt
- Nhiệm vụ Xử lý ngôn ngữ tự nhiên (NLP) (có phần mềm bổ sung)
- Và nhiều hơn nữa!
- Nâng tầm dự án của bạn:
- Thêm các tính năng thông minh vào những dự án Raspberry Pi sáng tạo của bạn
- Thử nghiệm các ứng dụng AI trong thế giới thực
- Vượt qua ranh giới của sự sáng tạo và đổi
Bạn sẽ thấy sự cải thiện vượt bậc trong các dự án computer vision hiện có dựa trên Raspberry Pi, chẳng hạn như dự án xử lý hình ảnh Donkeycar và OpenCV.
Bộ AI HAT+ Raspberry Pi – 26 TOPS cho Raspberry Pi 5 là giải pháp hoàn hảo cho các nhà phát triển, những người có sở thích và nhà giáo dục muốn khám phá thế giới thú vị của AI. Tham gia cuộc cách mạng và đưa các dự án Raspberry Pi của bạn lên một tầm cao mới!
Nhưng thiết bị cơ bản cần dùng với Raspberry Pi AI HAT+
Vì bộ AI được thiết kế cho Raspberry Pi 5 nên tất nhiên bạn sẽ cần có Raspberry Pi 5 và các phụ kiện. Dưới đây là những gợi ý của chúng tôi dành cho bạn.
[ux_products type=”row” width=”full-width” col_spacing=”xsmall” columns=”5″ animate=”bounceIn” show_cat=”0″ show_rating=”0″ show_quick_view=”0″ equalize_box=”true” ids=”17156,17571,17220,2519,17567″]
Thông số kỹ thuật và tính năng của Raspberry Pi AI HAT+
- Bộ AI HAT+ Chính thức Đầu tiên dành cho Raspberry Pi 5
- Bộ gia tốc AI HAILO 8 gắn sẵn trên mạch mở rộng
- Cáp FPC/FFC dài 30mm
- Hỗ trợ single-lane PCIe 2.0 (tốc độ truyền dữ liệu tối đa 500MB/s )
- Có thể gắn chung với Tản nhiệt Active Cooler cho Raspberry Pi 5.
- HAILO 8 AI Accelerator:
- Khả năng xử lý AI 26 Tera (Trillion) Operations Per Second (TOPS)
- Giao thức: PCIe Gen 3.0, 2-lanes
- Hỗ trợ kiến trúc: X86 or ARM
- Hỗ trợ OS: Linux, Windows. In this case, Raspberry Pi OS is fully support
- Hỗ trợ AI framework: TensorFlow, TensorFlow Lite, Keras, PyTorch & ONNX
- Nhiệt độ hoạt động: 0°C đến 50°C
- Hiệu suất năng lượng tốt nhất
- Chạy tốt với Raspberry Pi 5 và Raspberry Pi OS
- Được tích hợp sẵn trong thư viện Camera của Raspberry Pi, sẵn sàn để phát triển và xây dựng các dự án về thị giác máy tính
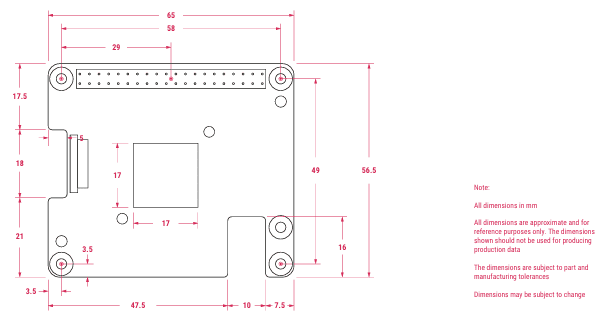
- Kích thước 65,0mm x 56,5mm x 5,6mm (tối đa)
Bộ sản phẩm bao gồm:
- 1 x AI HAT+ tích hợp sẵn Bộ tăng tốc HAILO 26 TOPS)
- 1 x PCIe FPC Cable (30mm), pre-assembled on the HAT+
- 4 x 2×20 16mm stacking header
- 4 x M2.5 Spacer and screw set
- 4 x M2.5 long screw

Hướng dẫn lắp ráp, cài đặt và chạy thử với Raspberry Pi AI HAT+ https://raspberrypi.vn/huong-dan-lap-rap-cai-dat-va-chay-thu-raspberry-pi-ai-hat-tren-raspberry-pi-5-21618.pi









